电压跟随器的作用(电压跟随器的作用特点以及计算)
作者:哪吒游戏网 来源:哪吒游戏网 2020-09-29 12:02:20
电压跟随器的作用(电压跟随器的作用特点以及计算),哪吒游戏网给大家带来详细的电压跟随器的作用(电压跟随器的作用特点以及计算)介绍,大家可以阅读一下,希望这篇电压跟随器的作用(电压跟随器的作用特点以及计算)可以给你带来参考价值。
电压跟随器是什么?
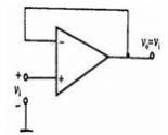
电压跟随器是共集电极电路电压跟随器的作用,信号从基极输入,射极输出,故又称射极输出器。基极电压与集电极电压相位相同,即输入电压与输出电压同相电压跟随器的作用,也就是电压跟随器的电压放大倍数恒小于且接近1。当RF=0,R1=∞,即uo=ui,Auf=1这时输出电压跟随输入电压作形同的变化,称为电压跟随器。

电压跟随器的计算分析
电压跟随器是增益等于一的电路,其输出电压跟随输入电压

在同相直流放大器中,当R1=∞时,可得如图(a)所示的电压跟随器;当R1=∞,且Rf=R2=0时,可得图(b)所示的电压跟随器。根据同相直流放大器Auf的计算式可得: Auf≈1
电压跟随器的特点
电压跟随器具有高输入电阻、低输出电阻的特点。极端一点理解的话,当输入阻抗很高时,就相当于对前级电路开路,当输出阻抗很低时,对后级电路就相当于一个恒压源,即输出电压不受后级电路阻抗影响。一个对前级电路相当于开路,输出电压又不受后级阻抗影响的电路当然具备隔离作用,即使前、后级电路之间互不影响。而隔离作用就是将负载对输入端的影响隔离掉。电压跟随器的作用
在电路中,电压跟随器一般做缓冲级及隔离级。由于电压放大器的输出阻抗一般比较高,通常在几千欧到几十千欧,如果后级的输入阻抗比较小,那么信号就会有相当的部分损耗在前级的输出电阻中。在这个时候,就需要电压跟随器来从中进行缓冲。起到承上启下的作用。应用电压跟随器的另外一个好处就是,提高了输入阻抗,这样,输入电容的容量可以大幅度减小,为应用高品质的电容提供了前提保证。
电压跟随器的另外一个作用就是隔离,在HI-FI电路中,关于负反馈的争议已经很久了,其实,如果真的没有负反馈的作用,相信绝大多数的放大电路是不能很好的工作的。但是由于引入了大环路负反馈电路,扬声器的反电动势就会通过反馈电路,与输入信号叠加。造成音质模糊,清晰度下降,所以,有一部分功放的末级采用了无大环路负反馈的电路,试图通过断开负反馈回路来消除大环路负反馈的带来的弊端。但是,由于放大器的末级的工作电流变化很大,其失真度很难保证。
在这里,电压跟随器的作用正好达到应用,把电路置于前级和功放之间,可以切断扬声器的反电动势对前级的干扰作用,使音质的清晰度得到大幅度提高。
电压跟随器的电路特点
共集电路的输入高阻抗,输出低阻抗的特性,使得它在电路中可以起到阻抗匹配的作用,能够使得后一级的放大电路更好的工作。举一个应用的典型例子:电吉他的信号输出属于高阻,接入录音设备或者音箱时,在音色处理电路之前加入这个电压跟随器,会使得阻抗匹配,音色更加完美。很多电吉他效果器的输入部分设计都用到了这个电路。
电压隔离器输出电压近似输入电压幅度,并对前级电路呈高阻状态,对后级电路呈低阻状态,因而对前后级电路起到“隔离”作用。
电压跟随器常用作中间级,以“隔离”前后级之间的影响,此时称之为缓冲级。基本原理还是利用它的输入阻抗高和输出阻抗低之特点。
电压跟随器的输入阻抗高、输出阻抗低特点,可以极端一点去理解,当输入阻抗很高时,就相当于对前级电路开路;当输出阻抗很低时,对后级电路就相当于一个恒压源,即输出电压不受后级电路阻抗影响。一个对前级电路相当于开路,输出电压又不受后级阻抗影响的电路当然具备隔离作用,即使前、后级电路之间互不影响。
总结:以上内容就是针对电压跟随器的作用(电压跟随器的作用特点以及计算)详细阐释,如果您觉得有更好的建议可以提供给哪吒游戏网小编,电压跟随器的作用(电压跟随器的作用特点以及计算)部分内容转载自互联网,有帮助可以收藏一下。
上一篇: 广州二本学校(2018广州二本大学有哪些 最新高校名单)
- 1 魔兽世界 考古(魔兽世界考古毁一生?这些装备幻化和坐骑值得你去玩考古)
- 2 普罗霍洛夫(卢布危机下俄土豪大甩卖 卖完豪宅卖球队)
- 3 龙之谷手柄(《龙之谷手游》手柄怎么连接 柄连接教学攻略)
- 4 普罗霍洛夫(俄罗斯土豪准备20亿抛售篮网! 最烂老板是怎样炼成的?)
- 5 天联网(天联网信息科技有限公司怎么样?)
- 6 附魔大师(魔兽世界怀旧服附魔大师在哪 附魔大师位置分享介绍)
- 7 wow烹饪食谱(魔兽世界怀旧服烹饪极品食谱)
- 8 陶谦让徐州(陶谦三让徐州,世界上真有这样的好人吗?)
- 9 lol神圣之剑(LOL如果神圣之剑回归,谁最受益?第1:只要不瞎都能上钻石!)
- 10 陶谦让徐州(陶谦三让徐州的原因是什么?)
- 魔兽世界 考古(魔兽世界考古毁一生?这些装备幻化和坐骑值得你去玩考古)
- 龙之谷手柄(《龙之谷手游》手柄怎么连接 柄连接教学攻略)
- 绝地求生国服绑定(《绝地求生》绑定国服不会对steam账号有任何影响)
- 绝地求生国服绑定(国服吃鸡不要钱!《绝地求生》QQ绑定Steam详细教程)
- 五指山在哪里(现实中真正的五指山,被称为沙漠之手,你知道在哪里吗?)
- 伊邪那岐(伊邪那岐与伊邪那美的形象解读)
- 五指山在哪里(五指山在哪里 五指山有什么特色玩法)
- 伊邪那岐(【分析】伊邪那岐和伊邪那美的漏洞设定)
- 伊邪那岐(阴阳师伊邪那岐原画一览 伊邪那岐高清图片欣赏)
- 天命奇御(天命奇御|正版购买|凤凰游戏|FHYX.com)

机械战警
坦克射击
梦道满V版
火箭精英3d免费版
太古灵诀
小小帝国无敌破解版
厉害了我的娃
乐高无限
侠影双剑九游版